Mixed-Signal Front-End IPs are designed for Analog-Signal-to-SoC interface transceiver, including wireless Analog Front-End (AFE), traditional Analog-to-Digital converter (ADC) and Digital-to-Analog converter (DAC). These IPs support sampling rate from 10KHz to more than 10GHz, and cover analog signal bandwidth from DC to more than 5GHz. Wide bandwidth handling can achieve both direct sampling and IQ sampling. Highly integration solution includes amplifier, filter, calibration circuit, and high performance PLL to optimize power performance area (PPA) for not only communication system such as 5G, Wi-Fi … etc, but also power control, monitor, video system. GUC Mixed-Signal Front-End IPs also provide production test solution and APB/I2C/JTAG interface for easy integration to enable ASIC success.
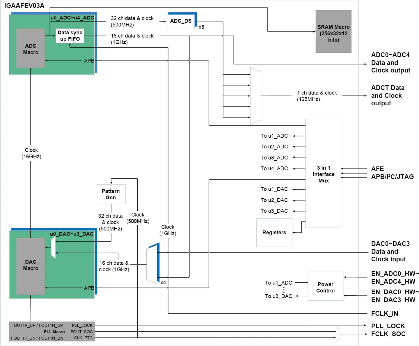
Block diagram of IGAAFEV03A

DAC
Wi-Fi AFE
| Part_Number | Process | Description | Download |
|---|---|---|---|
| IGAAFET06A | 28nm | ABB Analog Front-End | |
| IGAAFEV04A | 12nm | 500MHz Analog Front-End |
ADC
| Part_Number | Process | Description | Download |
|---|---|---|---|
| IGAADCR05A | 65nm | 12 Bit 40Mhz Pipelined ADC [2ch] | |
| IGAADCR10A | 55nm | 12 Bit 120MHz Pipelined ADC [1ch] | |
| IGAADCR16A | 55nm | 12 Bit 80MHz SAR ADC | |
| IGAADCS02A | 40nm | Programmable Sigma Delta ADC [2ch] | |
| IGAADCS05A | 40nm | 12 Bit 2MHz SAR ADC [8ch] | |
| IGAADCT09B | 28nm | 10 Bit 2.4G SAR ADC [2ch] | |
| IGAADCT10A | 28nm | 12 Bit 125MHz SAR ADC | |
| IGAADCV01A | 16nm | Thermal Sensor ADC | |
| IGAADCV03A | 12nm | 12 Bit 250M SAR ADC |